NUOVI modelli MSD-S
I primi processori della serie MSD di IDK Corporation sono usciti sul mercato AV Pro nel lontano 2009, ed hanno fatto conoscere ed apprezzare sin da subito la qualità e l’affidabilità del costruttore giapponese.

Attualmente questa gloriosa serie conta quasi 20 modelli, dal piccolo MSD-402 (4x2) al grande MSD-6208 (8x8) con diverse configurazioni d’ingresso e d’uscita per potersi adattare a tutte le possibili richieste e applicazioni.
A partire da gennaio 2021, IDK ha il piacere di annunciare i nuovi arrivi nella famiglia MSD:
> MSD-S51
> MSD-S52
> MSD-S71
> MSD-S72
I quattro nuovi modelli MSD-S continuano la tradizione dei precedenti modelli che vanno a sostituire (MSD-501, 502, 701 e 702), incrementandone le caratteristiche e le potenzialità.
Al primo sguardo i processori MSD possono sembrare dei normali presentation switch, ma appena ci si addentra, si capisce subito perché IDK ha coniato il termine "Multi-Switcher Digitale" per descrivere al meglio la linea di prodotti.
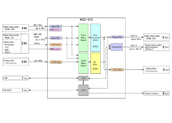
Ora vediamo nel dettaglio le principali caratteristiche del modello MSD-S72 :

- Massima risoluzione video IN/OUT 2K/QWXGA (RB)/1080p
- Gestione HDCP 1.4
- 7 ingressi video 5 HDMI e 2 DVI-U (selezionabile digitale e analogico)
- 3 ingressi audio analogici stereo sbilanciati (embedder)
- 2 doppie uscite video parallele (sia HDMI che HDBaseT)
- Trasmissione HDBaseT fino a 150m in Long Reach Mode
- Matrice a doppio layer video e audio indipendenti
- Regolazione livelli audio indipendenti in ingresso e uscita
- Doppia correzione del delay audio lipsync una per ogni uscita
- Funzione Auto Switch con gestione della priorità
- Richiamo di 9 preset di configurazione
- Gestione dell’HDCP per ogni ingresso ed uscita (non HDCP Killer)
- Gestione indipendente per ogni uscita dell’effetto di transizione seamless (cut, fade, wipe)
- Gestione avanzata del video processing
- Gestione indipendente dell’aspect ratio e della risoluzione d’uscita
- Doppio PinP e PbyP indipendente per le due uscite, con 5 memorie per ogni uscita liberamente configurabili
- Gestione logo overlay in chiave al segnale video o con trasparenza (max 4)
- Generatore di segnali test indipendente per ogni uscita
- Funzione Connection Reset per ripristinare automaticamente la visualizzazione dell’immagine senza staccare e riattaccare il connettore
- Funzione Anti Storm per il ripristino del segnale video dovuto a problemi HDCP
- Nuovo Pannello frontale con display e menù navigabile per gestire tutti i parametri, pulsanti tricolor
- Web server integrato per controllo avanzato e l’analisi dei segnali anche HDBaseT
- Porte controllo bidirezionali RS-232 e LAN
- HUB LAN integrato e condiviso con porte HDBaseT
- Instradamento dei comandi RS-232 ricevuti dalla porta seriale a HDBaseT
- 3 uscite a chiusura di contatto per controllo (max DC 24V-1A)
- Control Command per controllare apparati di terze parti tramite stringhe comando o PJlink
- Control Command via RS-232, LAN, HDBaseT, HDMI CEC e chiusure contatto
- 4 +2 pulsanti per macro comandi max 9 pulsanti virtuali
- Controllo semplificato via IQControl APP da smart device
- Gestione integrata dei prodotti MSD tramite ProVisionaire Control di Yamaha
L’interfaccia Web incorporata offre agli utenti l'accesso ai potenti strumenti d’impostazione e configurazione come: la modifica della risoluzione dello scaler d'uscita, la forzatura dell'EDID desiderato e la gestione HDCP avanzata.
Le funzionalità più avanzate consentono all'utente di manipolare: la posizione, le dimensioni, la mascheratura e le proporzioni dell'immagine video. Con queste funzionalità più avanzate, l'MSD diventa versatile e offre ai progettisti maggiore flessibilità per configurare il proprio sistema AV.
Questi modelli MSD-S supportano anche la modalità di elaborazione a finestra, in cui gli utenti possono creare diversi layout Picture-in-Picture (PinP) che possono essere richiamati tramite 5 memorie. Attraverso il menu Output Image, le singole finestre possono essere ridimensionate e posizionate manualmente in qualsiasi punto dello schermo per creare il layout desiderato, come ad es. Side by Side per applicazioni di videoconferenza.
Il sito idkav.com vi offre una panoramica completa di tutto il catalogo IDK mentre per ricevere informazioni commerciali o tecniche è possibile contattare direttamente Davide Franz - franz@adeogroup.it- Brand Manager IDK.








